LC2307 In-Line Threaded Force Sensor Micro S Type Sensor

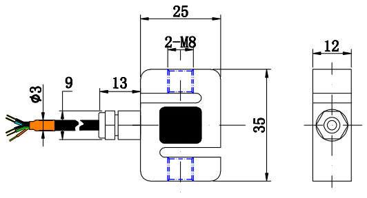
Dimension:

Description:
Features and applications: compact size, strong stability, high accuracy, can measure tension and pressure two-way force. Dynamic response is fast, and has strong anti overload ability, mainly used in plug force test, key detection, computer, mobile phone components installation test, etc.
Technical Data:























