LC226B Factory Compression Load Cells Tension Load Cells

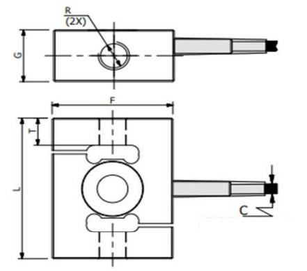
Dimension:Unit mm

Product Description:
The S Beam Load Cell offers a compact design for platforms, silos, or scales. The Standard LC226B S Beam Load Cell model has female threads.
S Beam Load Cell has a high accuracy. This s beam Load Cell can be modified or customized to meet your requirements.
Standard ranges are from 25kg~200kg. Electrical output is 2mV/V with options for amplified outputs of 4-20mA, 0-5VDC, 0-10VDC or +/-10VDC.
Applications:
Suspended tanks and hoppers, crane scale. Suitable for general applications in the process weighing and process automation and control sectors.
Technical Parameter:




















