LC2004 In-line Load Cell S-type Load Cell Force Sensor

Product Description::
The lLC2004 is a multipurpose stainless steel S-type load cell which can be used in tension or compression. This product is suitable for a wide range of hybrid scales, overhead track scales, belt scales, and process weighing applications.
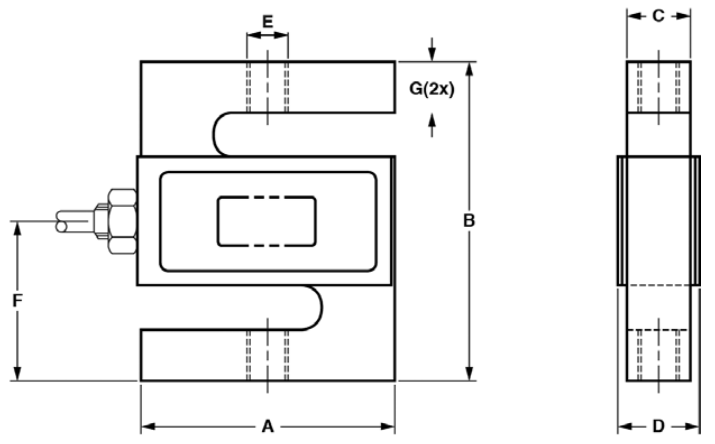
Dimension:

Technical Parameter:




















