RUNNING TEC·H / B560S/B760S / Shear Beam Load Cell


Capacity: 5–100 kN
Material: High-quality stainless steel
Type: Shear Beam
Protection Rating: IP68
Suitable for platform scalesdosing systems, and process control applications in the chemical, food, pharmaceutical, and other industrial sectors.


Share it:

Models

B560S-5kN, B560S-10kN, B560S-20kN, B560S-50kN, B560S-100kN, B760S-5kN, B760S-10kN, B760S-20kN, B760S-50kN, B760S-100kN
B560S-510kg, B560S-1020kg, B560S-2039kg, B560S-5099kg, B560S-10197kg, B760S-510kg, B760S-1020kg, B760S-2039kg, B760S-5099kg, B760S-10197kg

Features

  • Capacity: 5–100 kN
  • Material: High-quality stainless steel
  • Type: Shear Beam
  • Protection Rating: IP68
    Suitable for platform scalesdosing systems, and process control applications in the chemical, food, pharmaceutical, and other industrial sectors.

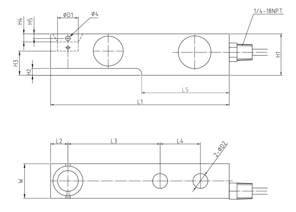
Dimensions

 

Capacity(mm) L1 L2 L3 L4 L5 W H1 H2 H3 H4 H5 D1 D2
5~20kN 155 15 80 35 76 30 36 6 21 7 4 18 13
50kN 190 21 105 40 93 43 49 8 28.5 6 8 25 21
100kn 245 10 135 50 120 60 73 12.5 42 10 30 27

Specifications