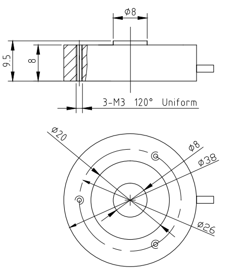
RJ-6621 Spoke type Load Cell
Technical parameters
| Measuring range | Kg | 10/20/50 |
| Sensitivity | mV/V | 1.5±0.2 |
| Accuracy | %FS | ≤±0.1 |
| Creep | %FS | ≤±0.02 |
| Input impedance | Ω | 370±30 |
| Output impedance | Ω | 350±10 |
| Insulation resistance | M Ω | ≥5000 (100VDC) |
| Zero balance | %FS | ≤±1 |
| Temperature effect on sensitivity | %FS/10℃ | ≤0.05 |
| Temperature effect on zero | %FS/10℃ | ≤0.05 |
| Compensation temperature range | ℃ | -10~+60 |
| Operating temperature range | ℃ | -20~+80 |
| Recommended excitation voltage | V | 6~12 |
| Permissible excitation voltage | V | 18 |
| Safe overload | %FS | 120 |
| Limit overload | %FS | 150 |
| Protection level | IP65 | |
| Cable specification | mm | Ф3 |
| Cable length | m | 1 |
| Material | Aluminum Alloy |
Dimensions (mm)

Circuit connection
















