R546B Ultra Micro Testing Load Cell
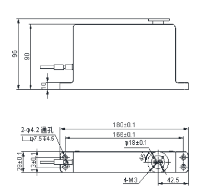
Installation dimensions

Parameters Table
Features and applications
High precision, high stability, ultra-small range, aluminum alloy material
High precision and strong anti-eccentricity
Easy to install, IP 65
Suitable for ultramicro test, medical test, dispensing test, electronic scale, counting scale, electronic balance and various industrial weighing systems, etc.
Force direction

Wiring diagram


















