Ring load cell 500,1000,2000,3000,5000KG NF118
Features
Ring load cell 500,1000,2000,3000,5000KG NF118 is made of stainless steel. The donut force sensor offers compact construction and wide capacity range intended for compression force measurement. The annular force transducer offers limitless possibilities for applications.
- Compact structure
- Low height
- Small deformation
Applications
- Automotive press assembly
- 3C product testing
- Medical testing
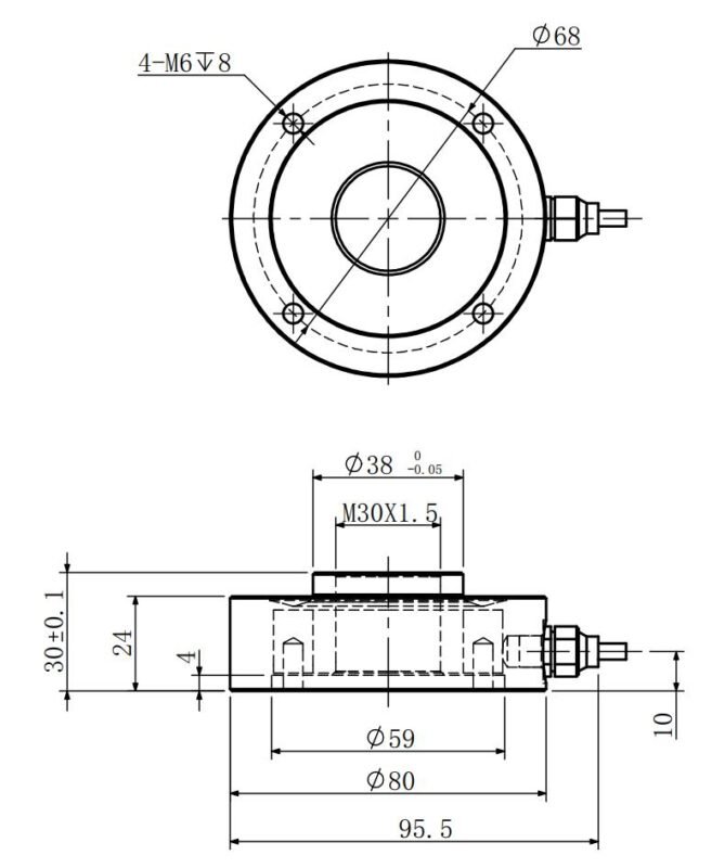
Mounting Dimension
Load Direction
Wiring Code
Specifications
| Specifications | Technique |
| Capacity | 500,1000,2000,3000,5000KG |
| Rated output | 1.5±10%mV/V |
| Zero balance | ±0.3%F.S. |
| Non-linearity | 0.2%F.S. |
| Hysteresis | 0.2%F.S. |
| Repeatability | 0.1%F.S. |
| Temp.effect on output | 0.05%F.S./10℃ |
| Temp.effect on zero | 0.05%F.S./10℃ |
| Input impedance | 780±20Ω |
| Output impedance | 700±10Ω |
| Insulation | ≥5000MΩ/100VDC |
| Recommended excitation | 5~15V |
| Maximum excitation | 20V |
| Compensated temp range | –10~60℃ |
| Operation temp range | –20~80℃ |
| Safe overload | 150%F.S. |
| Ultimate overload | 200%F.S. |
| Cable size | Φ4×3000mm |


















