3-axis load cell 5N 10N 20N 30N 50N NF702
Features
3-axis load cell 5N 10N 20N 30N 50NNF702 is available in a capacity range from 5N to 50N for all three axes. The Triaxial force sensor offers an excellent solution for measuring Fx, Fy, and Fz loads. The multi axis load cell converts load into an electrical output signal.
- High precision
- Strong resistance to partial load
- Easy to install
Applications
- Crash tests
- Automation equipment
- Force control in robotics
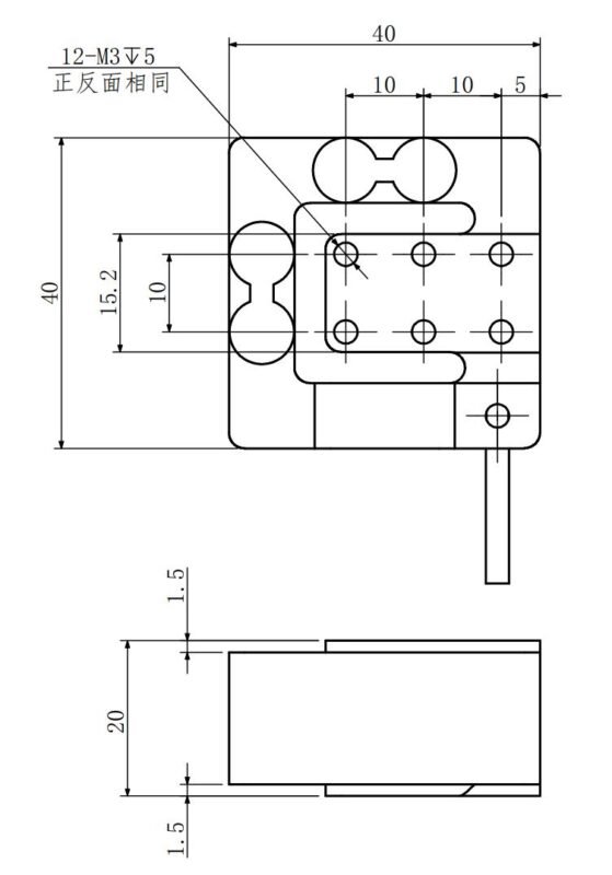
Mounting Dimension

Load Direction
Wiring Code
Specifications
| Specifications | Technique |
| Capacity(N) | X: 5/10/20/30/50;Y:5/10/20/30/50;Z:5/10/20/30/50 |
| Rated output | ≈1.0mV/V |
| Zero balance | ±2%F.S. |
| Non-linearity | 0.2%F.S. |
| Hysteresis | 0.2%F.S. |
| Repeatability | 0.2%F.S. |
| Interference error | 0.5%F.S. |
| Temp.effect on output | 0.1%F.S./10℃ |
| Temp.effect on zero | 0.1%F.S./10℃ |
| Input impedance | 350±10Ω |
| Output impedance | 350±10Ω |
| Insulation | ≥5000MΩ/100VDC |
| Recommended excitation | 5~12V |
| Maximum excitation | 15V |
| Compensated temp range | -10~40℃ |
| Operation temp range | -20~75℃ |
| Safe overload | 150%F.S. |
| Ultimate overload | 200%F.S. |
| Cable size | Φ3×3000mm |

















