LC5408 Load Cell Manufacturers Suppliers Rod End Miniature In Line Load Cell

Features:
◎Minimal mounting clearance;
◎17-4 stainless-steel construction;
◎For use in both tension and compression;
◎Accessories and related instruments available;
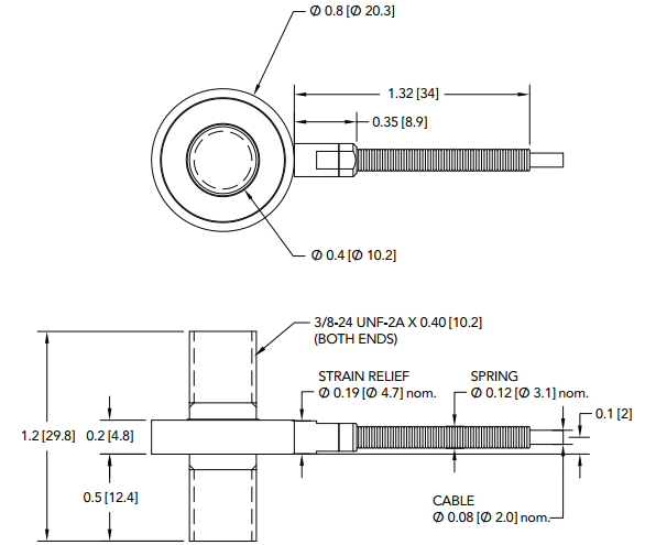
Dimension:Inches(mm)


Technical Parameter:



















