Features
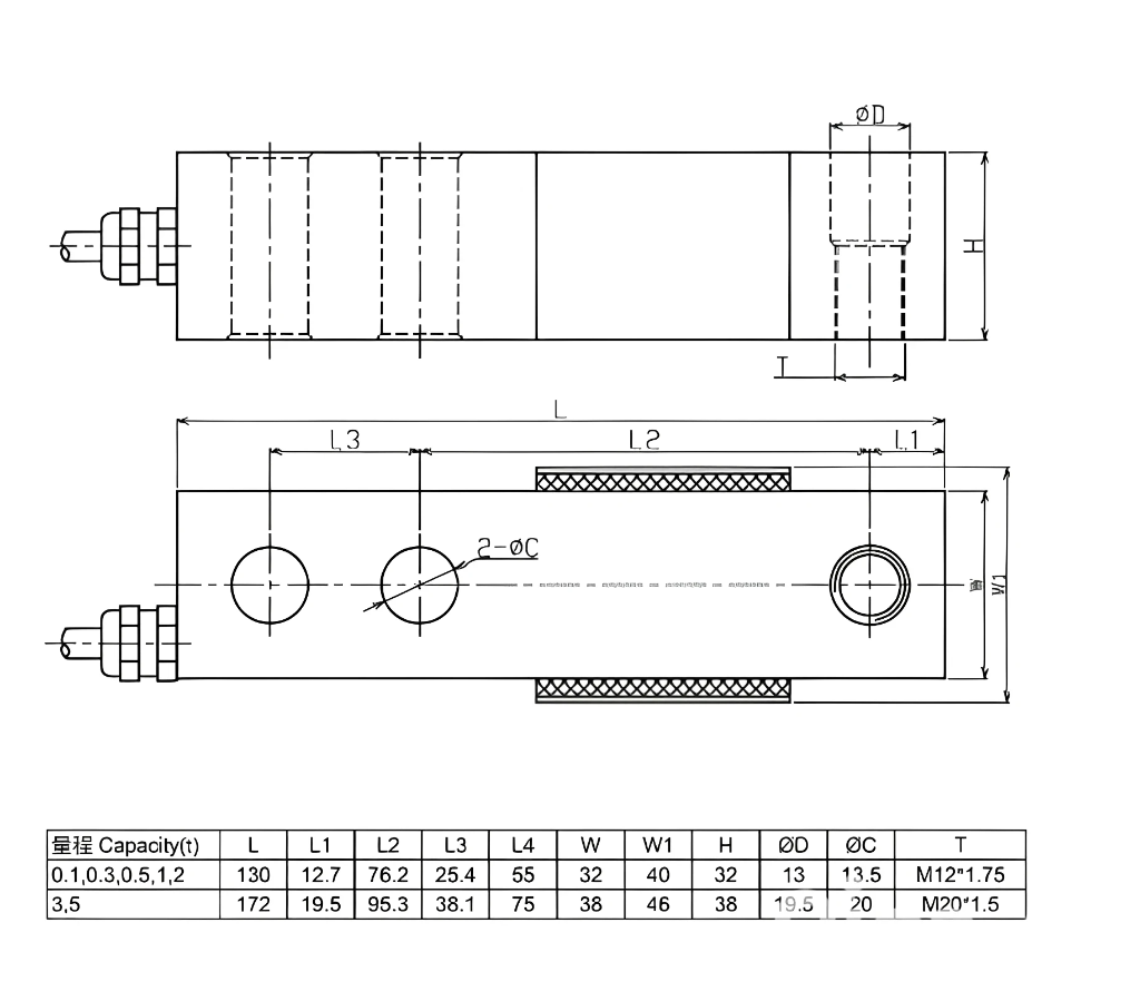
Dimensions

Specifications
Rated Load | t | 0.1,0.3,0.5,1,2 |
Rated Output | mV/V | 2.0±0.0050 |
Zero Balance | %R.O. | ±1 |
Comprehensive Error | %R.O. | ±0.02 |
Non-linearity | %R.O. | ±0.02 |
Hysteresis | %R.O. | ±0.02 |
Repeatability | %R.O. | ±0.02 |
Creep after 30 minutes | %R.O. | ±0.02 |
Compensated temperature range | ℃ | -10~+40 |
Operating temperature range | ℃ | -20~+70 |
Effect of temperature/10℃ on output | %R.O./10℃ | ±0.02 |
Effect of temperature/10℃ on zero | %R.O./10℃ | ±0.02 |
Recommended Excitation | VDC | 5-12 |
Maximum Excitation Voltage | VDC | 15 |
Input impedance | Ω | 380±10 |
Output impedance | Ω | 350±5 |
Insulation resistance | MΩ | ≥5000(50VDC) |
Safe Overload | %R.C. | 150 |
Ultimate Overload | %R.C. | 300 |
Material | Alloy Steel | |
Degree of protection | IP67 | |
The length ofthe cable | m | 3 |
Wiring code | Ex: | Red:+Black:- |
Sig: | Green:+White:- | |
Tightening torque | N·m | 98 N·m |
※Product specifications are subject to change without notice.

본 게시물은 케이센서스에 저작권이 있습니다. 무단으로 전제 및 도용 시 법적으로 처벌 될 수 있습니다. Copyright 2025. 케이센서스(KSENSORS) Co. All rights reserved. |






























