Features
- Capacity: 0.2~3kg
- Material: Aluminum alloy
- Type : Singie Point
- Protection rating: IP65
- Applications: Electronic scales / Counting and packaging scales / Food, pharmaceutical, and industrial process weighing and control
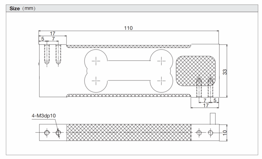
Dimensions

Specifications
Specification | Value | Unit |
Rated load | 0.2,0.3,0.6,1,1.5,3 | kg |
Rated output | 1.0±0.2 | mVN |
Zero balance | ±1 | %R.O. |
Comprehensive Error | ±0.02 | %R.O. |
Zero output | ≤±5 | %R.O. |
Repeatability | <±0.02 | %R.O. |
Creep(30 minutes) | ±0.02 | %R.O. |
Normal operating temperature range | -10~+40 | ℃ |
Allowable operating temperature range | -20~+70 | ℃ |
Effect of temperature on sensitivity | ±0.02 | %R.O./10℃ |
Effect of temperature on zero point | ±0.02 | %R.O./10℃ |
Recommended excitation voltage | 5-12 | VDC |
Input impedance | 410±10 | Ω |
Output impedance | 350±5 | Ω |
Insulation Resistance | ≥5000(50VDC) | MΩ |
Safe overload | 150 | %R.C. |
limited overload | 200 | %R.C. |
Material | Aluminum | |
Protection Class | IP65 | |
Cable length | 0.48 | m |
Platform size | 200 ·200 | mm |
Tightening torque | 2 | N·m |
※Product specifications are subject to change without notice.

본 게시물은 케이센서스에 저작권이 있습니다. 무단으로 전제 및 도용 시 법적으로 처벌 될 수 있습니다. Copyright 2025. 케이센서스(KSENSORS) Co. All rights reserved. |




























