GML623A Kitchen scales half bridge thin 3kg load cell sensor
| Specification | |
| Range (KG): 3 | Temp. effect on zero (%F.S/10℃): ±0.1 |
| Comprehensive error (%F.S): ±0.15 | Nonlinearity error (%F.S):±0.1 |
| Rated output (mV/ V): 1.0±0.15 | Repeatability error (%F.S):±0.05 |
| Creep (%F.S/3min): ±0.15 | Hysteresis error (%F.S):±0.05 |
| Zero balance (%F.S): ±0.5 | Operation temp. range (℃): -10~+40 |
| Input resistance (Ω):500±10 | Excitation voltage (V): 5-10(DC) |
| Output resistance (Ω): 500±10 | Ultimate overload (%F.S): 150 |
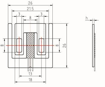
| Insulation resistance (MΩ): ≥2000 | Dimension (mm): 26×26×1 |
| Temp. effect on span (%F.S/10℃): ±0.1 | Position error (%F.S): 0.15 |



















