Models
FE010
Features
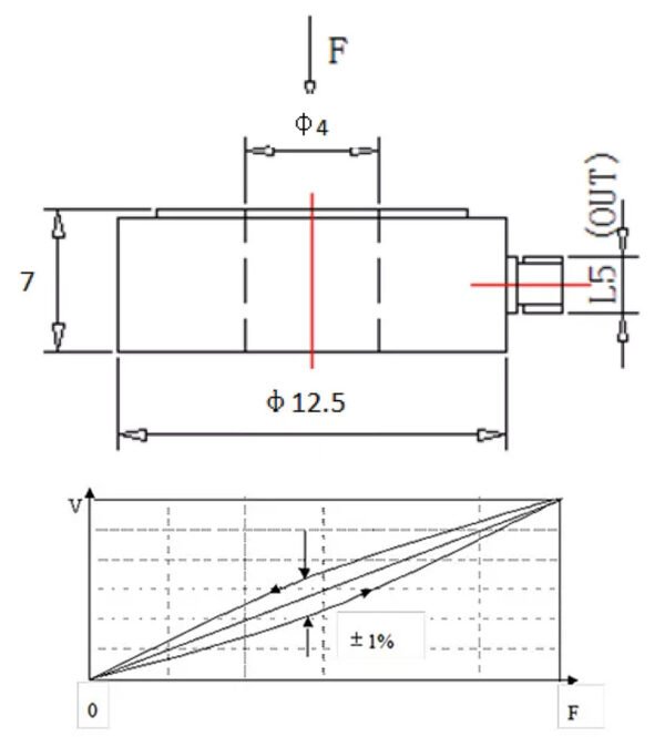
Dimension:φ12.5mm;H=7mm
Sensitivity(20±5℃):4pC/N
Material:Stainless steel
Dimensions

Specifications
| Item | Unit | Specification |
|---|---|---|
| Sensitivity (20 ± 5℃) | pC/N | ~4 |
| Measurement Range | N | 0 ~ 5000 |
| Overload Capacity | %F.S. | 120 |
| Linearity | %F.S. | ≤1 |
| Hysteresis | %F.S. | ≤1 |
| Repeatability | %F.S. | ≤1 |
| Capacitance | pF | ~6.8 |
| Insulation Resistance | Ω | >10¹³ |
| Resonant Frequency | kHz | >75 |
| Operating Temp. Range | ℃ | -54 ~ +120 |
| Weight | g | 4 |
| Housing Material | – | Stainless Steel |
| Installation | – | Thru Hole Φ4 |
| Sensitive Material | – | Quartz |
| Output Method | – | Side L5 |
| Cable | – | Double-ended L5 low-noise cable × 2m |
본 게시물은 케이센서스에 저작권이 있습니다. 무단으로 전제 및 도용 시 법적으로 처벌 될 수 있습니다. Copyright 2025. 케이센서스(KSENSORS) Co. All rights reserved. |



























