Models
FARS75C
Features
| Product Name | Six Axis Force Sensor | Capacity | Fx,Fy=400N,Fz=500N; Mx,My,Mz=12Nm |
|---|---|---|---|
| Material | Hard Aluminum Alloy | Protection Level | IP64 |
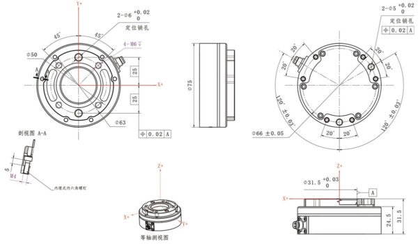
| Diameter | 75mm | Height | 33.5mm |
Dimensions

Specifications
| Item | Unit | Specification |
|---|---|---|
| Product Name | – | Six Axis Force Sensor |
| Model | – | FARS75C |
| Fx, Fy | N | 400 |
| Fz | N | 500 |
| Mx, My | Nm | 12 |
| Mz | Nm | 12 |
| Diameter | mm | 75 |
| Height | mm | 33.5 |
| Material | – | Hard aluminum alloy |
| Overload Level | %F.S. | 300 |
| Precision | %F.S. | 0.1 |
| Accuracy | %F.S. | 0.5 |
| Weight | kg | 0.36 |
| Supply Voltage | VDC | 9–24 |
| Working Temperature | ℃ | 0–80 |
| Sampling Resolution | Bit | 24 |
| Sampling Frequency | Hz | 1000 |
| Protection Level | – | IP64 |
| Communication Method | – | RS422 / RS485 / MODBUS / CAN / EtherCAT / EtherNET / USB / Analog |
본 게시물은 케이센서스에 저작권이 있습니다. 무단으로 전제 및 도용 시 법적으로 처벌 될 수 있습니다. Copyright 2025. 케이센서스(KSENSORS) Co. All rights reserved. |


























