Models
FA811
Features
| Product Name | Weighing Module | Capacity | 0.22t,0.55t,1.1t,2.2t,4.4t,9.07t,13.6t,20.4t |
|---|---|---|---|
| Protection Class | IP68 | Application | Weighing Control In Medical Industry |
| Easy To Maintain | Yes | Use In Tough Environment | Yes |
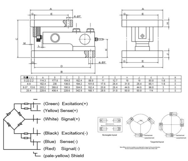
Dimensions

Specifications
| Item | Unit | Specification |
|---|---|---|
| Product name | – | Weighing Module |
| Capacity | t | 0.22 / 0.55 / 1.1 / 2.2 / 4.4 / 9.07 / 13.6 / 20.4 |
| Easy to maintain | – | Yes |
| Easy to install | – | Yes |
| Support bolt to avoid overturn | – | Yes |
| Spherical fittings maintain vertical weighing | – | Yes |
| Use in tough environment | – | Yes |
| Protection class | – | IP68 |
| Material | – | Stainless steel construction throughout |
| Application | – | Weighing control in medical industry |
본 게시물은 케이센서스에 저작권이 있습니다. 무단으로 전제 및 도용 시 법적으로 처벌 될 수 있습니다. Copyright 2025. 케이센서스(KSENSORS) Co. All rights reserved. |



























