Models
FA604
Features
| Product Name | Dynamic Torque Sensor | Capacity | 0.1,0.2,0.3,0.5,1,2,3,5,10,20,30,50,100,200,300,500N.m |
|---|---|---|---|
| Rated Output | 1.0~1.5mV/V | Non-linearity | ≤0.2%F.S. |
| Repeatability | ≤0.1%F.S. | IP Class | IP66 |
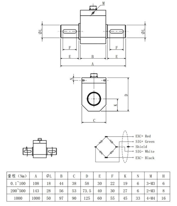
Dimensions

Specifications
| Item | Unit | Specification |
|---|---|---|
| Product name | – | Dynamic Torque Sensor |
| Capacity | N·m | 0.1, 0.2, 0.3, 0.5, 1, 2, 3, 5, 10, 20, 30, 50, 100, 200, 300, 500 |
| Rated output | mV/V | 1.0 ~ 1.5 |
| Zero balance | mV/V | ±0.01 |
| Creep (30 min) | %F.S. | ≤0.1 |
| Non-linearity | %F.S. | ≤0.2 |
| Hysteresis | %F.S. | ≤0.2 |
| Repeatability | %F.S. | ≤0.1 |
| Input impedance | Ω | 350 / 700 ±10 |
| Output impedance | Ω | 350 / 700 ±10 |
| Temp. effect on output | %F.S./10 ℃ | 0.02 |
| Temp. effect on zero | %F.S./10 ℃ | 0.02 |
| Insulation resistance | MΩ/100V (DC) | ≥2000 |
| Recommended excitation | V | 12 |
| Maximum excitation | V | 15 |
| Compensated temp range | ℃ | -10 ~ 60 |
| Operating temp range | ℃ | -20 ~ 60 |
| Safe overload | %F.S. | 120 |
| Ultimate overload | %F.S. | 150 |
| Cable size | – | 3m |
| IP Class | – | IP66 |
본 게시물은 케이센서스에 저작권이 있습니다. 무단으로 전제 및 도용 시 법적으로 처벌 될 수 있습니다. Copyright 2025. 케이센서스(KSENSORS) Co. All rights reserved. |























