Shear beam load cell-AB51A
Description
AB51A Shear beams are one of the most widely used load cell sensors, the range is wide, from 50kg to 20Ton, high accuracy ±0.02%~0.05%, alloy steel material and anti-corrosion, so It is used in traditional Weighing industry such as small floor scale, ground scale,batch reactor, or platform scale. Now many customers choose the model for them livestock scale, Forklift scale, small silo feed storage bin or smart medical bed. For easy installation, the model load cell matches a foot . By the way we can offer display and 4 channels ,6 channels, 8 channels summing box.
The resistance strain type load cell is composed of an elastic body, a housing and a strain gauge, etc. Elastic body are the basis of high-precision load cells, and the strain gauge is the core of the load cell sensor. The elastic body of resistance strain load cell sensor has various forms, wide application and complex structure.
Shear beam load cell for high accuracy and stability, It has strong anti-lateral ability and small installation size, durable, solid and reliable, and the position change of the force point has little effect on the output signal. So especially suitable for truck scales, electronic track scales and various high-precision electronic scales.
Shear Beam Load Cells Feature :
(1) The output signal is not affected by changes in the position of the force-measuring point. When the general elastic strain beam bears the load, it will bend, the normal stress is proportional to the bending moment of the beam, and the bending moment is proportional to the distance of the force acting point. so the change of the position of the force point will cause measurement error. The shear beam load cell measures its shear strain, and the shear strain is proportional to the shear force. The shear force is a constant on the beam and has nothing to do with the bending moment, so the change of the position of the force point does not affect the output of the load cell sensor;
(2)Good linearity and high precision. Since the strain gauge is attached to the Inside of the I-shaped beams and at a position of 45°to the central axis, it only measures the principal stress corresponding to the shear stress and is not affected by the bending stress, so the linearity is good and the precision is high;
(3)When the load cell sensor is pulled and compressed, the amplitude and distribution of the shear stress are basically the same, that is, the output sensitivity of the load cell sensor is basically the same in tension and compression, so it is especially suitable for measuring the objects of tension and compression at the same time.
(4)Low height, small size, light weight, easy to install and maintain;
(5)Simple structure, easy sealing, good long-term stability and durability.
(6)Strong anti-lateral ability
Environmental effect:
The application selection of the shear beam load cell must first be selected according to the environmental factors, and the particularity of its working environment must be fully considered, so that it can effectively adapt to various harsh working environments, whether it is high temperature or cold or freezing, weighing Heavy load cell sensors have stable performance and can quickly adapt to changing environments.
And due to the use of stainless steel shell materials and advanced moisture-proof materials, the shear beam load cell has strong corrosion resistance, dust resistance and certain moisture resistance. The use environment of electronic weighing technology is diverse, and the interference of various environmental factors on the use of equipment is unpredictable. Therefore, comprehensive consideration of comprehensive factors such as the environment is crucial to whether the best performance of the shear beam load cell can be effectively exerted. It is important and is related to the service life of the equipment and various safety factors that are easy to occur in the process
Selection of load cell sensor weight range:
The selection of the range of the shear beam load cell must fully consider the force range and maximum force level of the measuring scale, as well as a series of comprehensive factors such as the number of related sensors and the self-weight of the scale body. Normally, in order to ensure the weighing accuracy of the shear beam load cell, it is necessary to effectively ensure that the sensor’s range is close to the load distributed to each sensor. Only in this way can the accuracy be adjusted to the highest level. Reduce the existence of measurement error.
Load cell Sensor accuracy level analysis:
The accuracy level of the shear beam load cell includes technical indicators such as nonlinearity, creep, creep recovery, hysteresis, repeatability, and sensitivity of the load cell. Whether these indicators can be effectively grasped is different from that of the shear beam load cell. The accuracy level has a very important relationship. When selecting a load cell, it must be effectively ensured that Its accuracy requirements are fully considered, and the cost and cost of the shear beam load cell are fully considered to ensure its accuracy to the greatest extent.
Moisture-proof treatment
Under normal circumstances, electronic instruments and equipment will be affected by the rainy environment, which can easily damage the internal equipment of the instrument, mess up its internal structure, and affect its performance. Therefore, many precision instruments and equipment choose to avoid using them during thunderstorms, which greatly limits the universality and convenience of the use of instruments and equipment, and increases unnecessary troubles in the use of many instruments. The shear beam load cell weighs The sensor has moisture-proof treatment, which not only effectively solves the inconvenience factors during the use of the instrument and equipment, improves the performance of the equipment, but also reduces various interferences caused by environmental factors during the use of the equipment.
Timely correction of line connection errors:
The load cell is connected to the electronic display instrument through the line. During the line connection process, there may be a line connection error problem. At this time, we must correct it in time to avoid damage to the internal mechanism of the instrument due to the wrong connection method. Although the internal setting of the load cell has multiple internal protection mechanisms,the damage in a short period of time can be effectively controlled, in the long run, if the problem cannot be effectively solved, it will inevitably lead to very serious problems.
Debugging of Shear Beam Type Load Cell:
After the shear beam load cell is installed, attention should be paid to its weighing error debugging. As we all know, error debugging is a very complicated and cumbersome process. On the one hand, for beginner, because they are not proficient in business and unfamiliar with instruments and equipment, it is very easy to have problems during the operation and affect them. on the other hand, due to the fact that in the daily instrument operation equipment, the input of each load cell to feel the pressure and the resistance value converted to the output are not completely connected, the zero output is inconsistent, and the sensitivity is not coordinated. are affected by each other, which undoubtedly increases the debugging of the load cell to a certain extent difficulty.
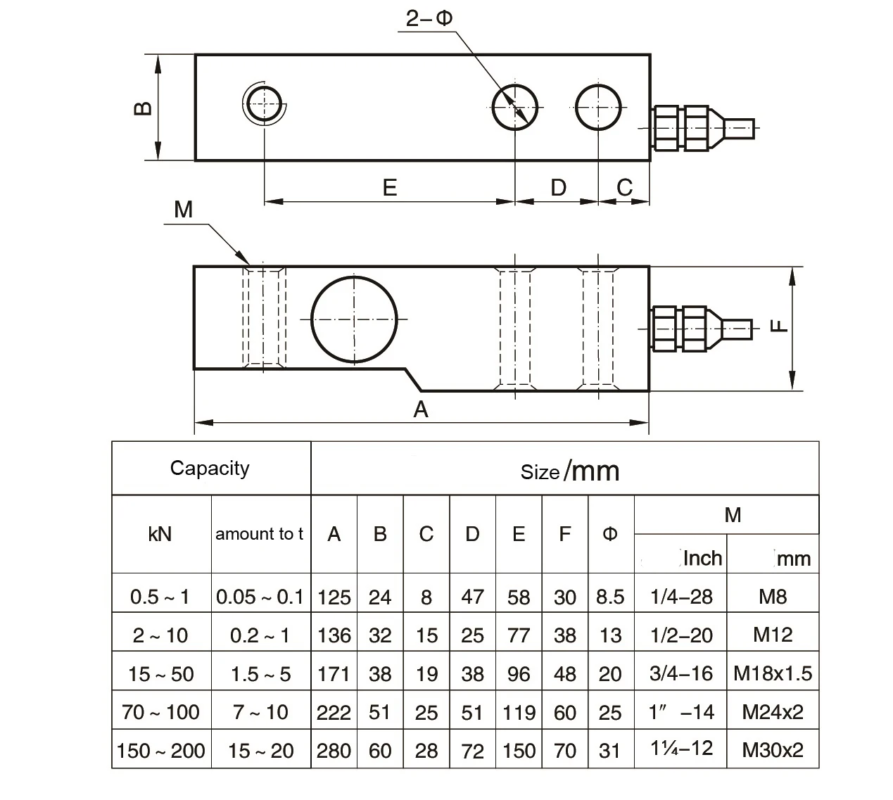
Drawing
Contact us if you need the Datasheet PDF.















