S beam load cell -AT52G
Description
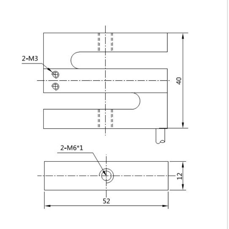
AT52G S beam load cell is Aluminum alloy material, Mainly used for crane scale, hopper scale, tensile testing etc.
Drawing
Contact us if you need the Datasheet PDF.

케이센서스 스마트스토어
AT52G S beam load cell is Aluminum alloy material, Mainly used for crane scale, hopper scale, tensile testing etc.
| Accuracy | ±0.03%F.S |
|---|---|
| Capacity | 2,5,10,20kg |
| Creep | ±0.03 %F·S/30min |
| Material | Alloy steel |
| Certificate | RoHS, CE |
| Model | AT52G |
| Sensitivity | 1.0/2.0±10%mV/V |
| Size | 52*40*12mm |
AT52G S beam load cell is Aluminum alloy material, Mainly used for crane scale, hopper scale, tensile testing etc.
Contact us if you need the Datasheet PDF.

50,100,200,500,1000,2000kg Or Customized S Beam Load Cell FA310 is a model of our brand FIBOS FA3-Series, S Beam Load Cell FA310 can be used to measure load 50kg,100kg,200kg,500kg,1000kg and 2000kg or customized capacity, its Creep(30min),Hysteresis and Repeatability all ≤0.025%F.S. or can be customized, and its Non-linearity ≤0.03%F.S. or can also be customized.
This sensor can measure both tension and compression, and its high precision and stability make it suitable for automation and various testing equipment.
This sensor can measure both tension and compression, and its high precision and stability make it suitable for automation and various testing equipment.
This sensor can measure both tension and compression, and its high precision and stability make it suitable for automation and various testing equipment.
The ZMSSA S type load cell provides good restraint to possible movement of the automation and in many cases. The small size gives excellent performance for high capacity loading. The output is rationalized to facilitate multiple-cell application. ZMSSA is contructed of stainless steel and is potted to IP67 providing excellent protection against moisture and humidity.
Stainless steel
This product is a high-precision tensile/compressive dual-purpose sensor made of stainless steel, and is a highly stable sensor suitable for various industrial and automated testing equipment.
This sensor can measure both tension and compression, and its high precision and stability make it suitable for automation and various testing equipment.
Product description:
S510 is a square-shaped tension & compression load cell, completely hermetically sealed by laser to ensure it can work in harsh environment. Available in a wide range of capacities from 500lb to 10klb
Main Features:
• Material: Alloy steel (with imperial thread)
• Rated Capacity: 500lb~10klb
• OIML R60, NTEP HB44, CPA, CE and RoHS certified
• IP Rating: IP66 / IP68
• Suitable for process weighing of hopper scales, silo scales, tank scales, also force measurement.
• High precision by OIML R60 C5, high reliability
Category: Tension
This sensor can measure both tension and compression, and its high precision and stability make it suitable for automation and various testing equipment.
Product description:
S530S a round-shaped tension & compression load cell, completely hermetically sealed by laser to ensue it can work in harsh environments. Available in a wide range of capacities from 300kg thru to 5t
Main Features:
• Material: stainless steel
• Rated Capacities: 300kg~5t
• OIML R60, NTEP HB44, CE and RoHS certified
• IP Rating: IP66, IP68
• Suitable for process weighing of hopper scales, silo scales, tank scales.
• High precision by OIML R60 C3, high reliability.
Category: Tension
50-2000N Stainless Steel S Beam Load Cell FA303 is a model of our brand FIBOS FA3-Series, S Beam Load Cell FA303 can be used to measure load 50N,100N,200N,500N,1000N and 2000N capacity, its Weight is 0.2kg and material is Stainless steel, its Rated output range is 2.0±10%mV/V, its Zero Balance range is ±0.05mV/V.
LCT S-type Load Cells have been designed for measuring static and dynamic tensile and compressive forces.
Advantages of LCT S-type Load Cells:
Quick to install thanks to off-center load compensation at the factory (per OIML R60),and you benefit from a new generation of high-precision, S-type load cells. Be it force measurement in machines, test benches and production lines or tests in development: LCT S-type load cells are the reliable and safe choice for precise force measurement – providing compelling benefits for you.
Model LAS-AX1 load cells are designed to this “S-type”and manufactured from high quality aluminum alloy of aviation standard. LAS-AX1 load cells can be used to measure loads range from 10kg to 100kg with the measuring accuracy of 0.05% R.O.( R.O.=Rated Output) and 2mV/V output signal.
LAS-AX1 load cells are mainly used for crane scales,hopper scales,tensile testing,test benches and machine testing.
WhatsApp us
